本設計是以 ICL8038 和 AT89C2051 為中心規劃的數控及掃頻函數信號發生器。 ICL8038 作為函數信號源聯系外圍電路發生占空比和起伏可調的正弦波、 方波、三 角 波 ; 該 函 數 信 號 發 生 器 的 頻 率 可 調 范 圍 為1~100kHz, 步進為 0.1kHz, 波形安穩, 無顯著失真。
1. 體系設計框圖
如圖 1 為體系規劃框圖。本規劃是利用鍵盤設置相應的頻率值, 依據所設置頻率段挑選相應電容, 經核算取得相應數字量送數字電位器完成 D/A變換, 一起與參閱電壓 (本例為 5.5V) 相加后構成數控調壓去操控ICL8038 第 8 腳, 這樣即可由 ICL8038 完成對應頻率值的矩形波、 三角波和正弦波。方波起伏經衰減后送單片機可測得信號源頻率并由數碼管顯現。
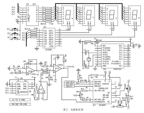
2.電路原理圖
圖 2 為電路原理圖。其間 AT89C2051 是 8 位單片機, 其間: P1.4~P1.7、 P1.2、 P1.3、 P3.0、 P3.1 作為數碼顯現; P3.3、 P3.5 、 P3.7 作為鍵盤輸入口; P3.4 作


為計數口, 用于測量信號源頻率;P3.0~P3.2 作為數字電位器的SPI總線; P1.1、 P1.0 可根據需要擴展繼電器或模擬開關選擇 ICL8038第 10腳 ( CAP )與第11腳間的電容C。
MCP41010 是 8 位字長的數字電位器, 采用三總線 SPI 接口。/CS: 片選信號, 低電平有效; SCK:時鐘信號輸入端; SI: 串行數據輸入端, 用于寄存器的選擇及數據輸入。MCP41010 可作為數字電位器, 也可以作為 D/A轉換器, 本設計是將 MCP41010 接成 8 位字長的 D/A轉換器, MCP41010 根據輸入的串行數據, 對基準電壓進行分壓后由中間抽頭輸出模擬電壓, 即
( 式 中
)
函數發生電路 ICL8038, 圖 2所示是一個占空比和一個頻率連續可調的函數發生電路。ICL8038是一種函數發生器集成塊, 通過外圍電路的設計, 可以產生高精密度的正弦波、方波、三角波信號, 選擇不同參數的外電阻和電容 等 器 件 , 可 以 獲 得 頻 率 在0.01Hz~300kHz范圍內的信號。通過調節 RW2 可使占空比在 2%~98%可調。第 10 腳( CAP) 與第11 腳間的電容 C起到很重要的作用, 它的大小決定了輸出信號頻率的大小, 當 C 確定后, 調節ICL8038 第 8 腳的電壓可改變信號源的輸出頻率。從 ICL8038 引腳 9(要接上拉電阻)輸出的波形經衰減后送單片機P3.4進行頻率測量。
正弦函數信號由三角波函數信號經過非線性改換而取得。利用二極管的非線性特性, 能夠將三角波信號的上升和降低斜率逐次迫臨正弦波的斜率。 ICL8038 中的非線性網絡是由 4 級擊穿點的非線性迫臨網絡構成。一般說來, 迫臨點越多得到的正弦波作用越好, 失真度也越小, 在本芯片中 N= 4, 失真度能夠小于 1。在實測中得到正弦信號的失真度可達 0.5 左右。其精度作用適當滿足。為了進一步減小正弦波的失真度, 可選用圖 2 所示電路中兩個電位器 RW3 和 RW4 所構成的電路, 調整它們可使正弦波失真度減小。當然, 假如矩形波的占空比不是 50% , 矩形波不再是方波, 引腳 2 輸出也就不再是正弦波了。
經試驗發現, 在電路設計中接 10 腳和 11 腳的電容值和功能是全部電路的要害器材, 電容值的斷定也就斷定電路能發生的頻率規模, 電容功能的好壞直接影響信號頻率的安穩性、波形的失真度, 因為該芯片是經過恒流源對 C充放電來發生振動的, 故振動頻率的安穩性就遭到外接電容及恒流源電流的影響, 若要使輸出頻率安穩, 有必要選用以下措施:外接電阻、電容的溫度特性要好; 外部電源應安穩; 電容應選用漏電小、質量好的非極化電容器。
1. 實驗結果

4.軟件流程圖
圖 3 為軟件流程圖。T0 設為計數器,T1 設為定時器(初值為 5ms)。5ms 啟動主循環, 主要用于鍵盤掃描及掃描顯示, 圖 2 中 K0 作為控制鍵, K1 作為調整鍵, K2 作為增加鍵; 上電時程序進入頻率設置模式, 按一下 K0 鍵程序進入數控模式, 按二下 K0 鍵程序進入掃頻模式, 按三下 K0 鍵程序進入頻率設置模式, 周而復始。在頻率設置模式, 由 K1 鍵和 K2 鍵完成頻率設置。

本文由 伯特利技術文章 整理發表,文章來自網絡僅參考學習,本站不承擔任何法律責任。
伯特利數控一直以盡心、盡力、盡意的態度把握每一臺 加工中心、鉆攻中心的質量
相關文章可查閱本站:技術文章 或本文下方 標簽 分類
相關產品可查閱本站:產品中心
數控教學論文及行業發展資訊可查閱本站:行業資訊