
1、 數控編程原理
數控加工的工作過程: 在數控機床上加工零件的時候, 需要預先根據所要加工零件的圖紙的要求,確定要加工的零件的工藝過程、 工藝參數和刀具的參數等等, 然后再根據圖紙編制程序, 利用計算機傳輸功能傳輸到數控機床的數控系統里面,借用數控機床的控制系統, 進行處理和計算, 再由控制系統發出控制信號, 通過伺服系統指揮, 使數控機床能夠按照預先的制定的軌跡進行運動,進而進行零件的加工。
數控編程: 根據所加工零件的圖紙要求和技術要求、 工藝要求等切削加工的必要的信息,按照數控系統要求所規定的指令和格式, 編制成加工所需要的程序文件, 這個過程被稱為零件數控加工程序的編制, 也可以簡稱為數控編程。
2、 數控編程步驟
在數控程序編制之前,編程的人員應該了解現有數控機床的規格、 性能、 數控系統所具備的功能以及編程指令格式等。再根據加工零件形狀、 尺寸及其技術要求等, 分析零件的加工工藝, 選定合適的機床、 刀具與夾具等, 確定合理的零件加工工藝路線、 工步的順序以及切削用量的選擇等工藝參數,這些工作與在普通機床上加工零件的時侯編制工藝規程基本上是相同的。
2.1 制定加工方案。此時要考慮加工方案的遵循的原則: (1)先粗后精; (2) 先內后外; (3) 走刀路線最短。除此之外, 還應該注意工藝路線與加工路線的關系等。
購買CNC加工中心 高速加工中心 鉆攻中心 請選擇 伯特利數控
2.2 工夾具的選擇。工夾具的選擇要特別注意夾具能否迅速完成工件的定位和夾緊過程,這樣可以減少輔助時間。在選擇使用組合夾具的時候, 可以使生產準備周期縮短, 組合夾具可以多次、反復的使用, 帶來的經濟效果也是很可觀的。
2.3 走刀路線的選擇。能夠合理地選擇走刀的路線對零件加工是非常重要的。應精確考慮到以下幾個方面: (1) 縮短走刀路線,減少不加工的時間, 可以提高生產效率。 (2)合理選取起刀點、 切入點和切入方式, 盡量保證加工過程中的平穩性。 (3)正確、 合理的走刀路線可以使零件的加工精度和表面粗糙度能夠達到預定的要求。 (4)選擇的走刀路線應使加工過程中應盡量避免刀具與工件發生干涉。 (5) 走刀路線的合理選擇, 可以使編程簡化, 減少加工時間。
2.4 如何合理的選擇刀具。在選擇刀具的時候應考慮一下幾條因素:
(1) 機床影響的因素;
(2) 刀具夾緊系統;
(3) 根據零件的形狀選擇成型刀具;
(4) 根據工件的材料合理的選擇刀具;
(5) 根據加工條件合理的選擇刀具。
還應考慮到工件材料的性能、 機床的加工能力、 切削用量等因素來選擇刀具。此工件加工的材料相對來說比較少,尺寸也相對比較單一, 所以選用的刀具就可以從簡, 減少換刀的時間, 選用的刀具如下表:

2.5 確定切削用量。除了要考慮到切削三要素(背吃刀量,進給量, 切削速度) 還應注意到切削用量的大小對切削量、 切削功率、刀具磨損、 加工質量等因素的影響。
在加工過程中一定要正確選擇切削用量, 進而提高加工效率。
3、 走刀軌跡的計算
在計算加工軌跡之前,還要正確選擇編程零點和工件的坐標系, 這是極其重要的。工件坐標系的選擇原則為: (1)選擇的工件坐標系應該在編制程序的過程中, 使編制程序的簡單明了; (2)選擇坐標系原點應選擇在容易找正、 加工的時候便于檢查的位置; (3)使加工引起的誤差減小。
4、 編制加工程序清單
按照制定的加工路線、 刀具的相對運動軌跡、 切削用量的選擇、刀具號碼的選擇、 刀具補償要求及輔助動作的要求, 再根據所使用的數控機床系統的指令代碼及程序的格式要求,編寫零件加工程序清單,然后再根據需要進行初步的人工檢查,以及復查等工序,進行反復修改, 最終確定加工程序的清單等。
5、 數控程序的輸入
近幾年以來,大多數控機床都采用磁盤以及計算機通訊技術等, 各種和計算機相連通用的程序輸入的方式, 用來實現程序的輸入, 因此, 現在只需要在普通的計算機上將要用的加工程序編制好,就能夠直接通過計算機傳送到數控機床的數控系統中去。當所用程序比較簡單的時候, 還可以通過數控機床上的鍵盤, 操作人員在鍵盤上直接輸入加工程序到數控系統中。
6、 數控加工程序的檢驗工作
一般情況下所編制的加工程序,必須經過進一步的檢驗和試切削過程才能用于正式加工。不管是手工編程還是自動編程,都避免不了存在錯誤, 而人工檢驗的工作量是相當大的, 而且可靠性也難以保證, 我們可以借助一些工具來檢驗, 比如說數控模擬仿真系統等等。確保程序的正確性、合理性,減小應為程序錯誤帶來的經濟利益。當檢驗的時候發現程序有錯誤時, 應該分析錯誤的性質及其產生的原因, 找到原因并修改程序單, 或使用系統的刀具補償尺寸功能, 最終達到圖紙規定的尺寸、 形狀等要求為止才行。
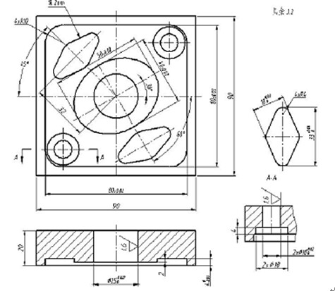
7、 加工圖示的零件應注意哪些
此圖中因為要加工的圓、 圓弧比較多,應該注意保證同軸度,內輪廓的平行度、 垂直度等, 還應該注意到加工過程中刀具的剛性問題, 兩個棱形因為不是對稱的, 所以還需要注意到棱形旋轉的角度等
8、 結束語
總而言之, 了解了加工中心程序編程的步驟, 能夠更快捷、 更方便地提高加工的效率、 加工的質量, 以及避免加工中出現的不必要錯誤, 可以使程序的編程、 加工的能力進一步的加強。
購買加工中心 高速加工中心 鉆攻中心 CNC加工中心 請選擇 伯特利數控
2024-11
本文以組合式六角亭模型為實例,分析工藝難點與加工可行性,指出該模型的加工難點是模型形狀不規則和整體剛性差,并通過設計新的工藝方案解決加工難點,完成了模型整體的加工。新的加工工藝有助于提高加工效率和精度,為五軸數控加工提供了一個典型案例,對于五軸加工中心數控加工也具有指導作用和重要… [了解更多]
2024-11
宇匠數控 備注:為保證文章的完整度,本文核心內容由PDF格式顯示,如未有顯示請刷新或轉換瀏覽器嘗試,手機瀏覽可能無法正常使用!本文摘要:通過對混聯五軸加工中心自適應深度學習控制方法的 研 究,可 知 此 方 法 的 創 新 之 處 在 于:1)建 立 了 機 床 的 運 動 學 … [了解更多]
2024-11
宇匠數控 備注:為保證文章的完整度,本文核心內容由PDF格式顯示,如未有顯示請刷新或轉換瀏覽器嘗試,手機瀏覽可能無法正常使用!本文摘要:1)本文建立了基于轉角向量和雙弦弓高的局部能量光順算法,該方法以刀心點光順前后最大許用偏移量作為約束,通過計算拐角處微小線段局部能量最優解,可使… [了解更多]
2024-11
在機測量技術由于其成本低、檢測效率高、無需二次裝夾等優勢被廣泛用于零件加工測量當中,使得五軸加工中心和五軸鉆攻中心,同時又兼具測量功能。在機測量系統的構成如圖1所示,硬件部分主要是由高精度探頭、信號接收器、機床整個本體,軟件部分由機床控制系統、測量軟件等組成[8]。待零件加工完成… [了解更多]